技术应用|建筑大楼防雷问题分析及改造措施
针对某大楼因雷击事故较为严重,分析了该大楼的防雷现状及雷电侵入到大楼内的方式。通过对雷电入侵方式的分析找出了该大楼在防雷上存在的不足,即楼顶线路感应雷防范措施不完善、低压线路防雷措施不完善、机房和配电室接地不规范等。针对这些不足,提出了对楼顶线路进行穿钢管、供电线路三级防雷、机房和配电室接地要强制等电位及对重要用电设备采取高耐雷变压器等防雷措施,取得了较好的防雷效果。
对于建筑物防雷而言,最具破坏作用的不是雷直击建筑而是由雷电放电电磁脉冲对建筑物用电设备的影响。由于建筑物防雷措施不完善,我国这些年也雷害击建筑物造成的事故频繁、聚增。据一些省市统计,由雷害引起建筑物内电子设备的损失约占由雷电灾害引起的总损失的80%,造成了巨大的经济损失和无法估量的间接损失与社会影响。
某大楼由于建筑物较高,防雷措施不完善,在雷雨季节出现过多次打坏家电设备的情况,其中比较严重的是发生过两次打坏楼顶风机,一次打坏大楼电梯控制柜,造成人员在电梯内被困长达一个小时。因而,有必要对该建筑进行防雷问题分析并找出防雷薄弱点以改进,减少因雷击造成的损坏。
大楼现有防雷措施
1 大楼防直击雷措施
在直击雷的防护上,某大楼采用在女儿墙顶部用不锈钢进行包装以形成整栋大楼的避雷带。在避雷带的接地上,采用楼体钢筋骨架作为接地引下线,采用大楼基础自然接地作为大楼防雷接地。现场测量大楼接地电阻为8Ω,符合建筑物防雷设计要求中对接地的要求。
2 大楼其他防雷措施
大楼供电系统是从10kV变电站出线后采用先采用架空线再经电缆引至大楼供电室,在电缆的接头处安装有避雷器对电缆头进行保护,大楼供电采用四台160kVA的变压器对整栋大楼进行供电。
在大楼供电室变压器的防雷上,四台变压器都是仅在高压侧装有避雷器,低压侧在电容补偿器侧装有一组低压避雷器,用来限制电容补偿器在投切时产生的过电压,如果低压无功补偿装置退出运行,整个大楼的低压设备将失去过电压保护。
在大楼机房的接地上,没有采用独立的地网,也是直接采用大楼基础接地,在接地上没有采用强制等电位连接。在机房电源的防雷配置上,也没有安装低压避雷器对机房电源进行保护。
大楼雷电入侵途径
1 大楼避雷带引入雷电
由于楼体较高,在附近属于较高的建筑物,而且大楼四用较为开阔,当附近有雷电活动时,容易造成雷电直接击中大楼避雷带,强大的雷电流就会经由接地引下线泄入大地,由于大楼较高,接地引下线较长造成感抗较大。
由于感抗较大的作用和接地引下线较多的问题,而使得雷电流作用下的地电位分布极不均匀,就容易引起大楼接地局部地区的地电位升高而在大楼内部不同的楼层形成电位差。
同时由于接地网和引线附近有大量的低压电缆、通信等弱电设备,这个电位差在信号线缆屏蔽层产生表皮电流,然后通过芯线与屏蔽层之间的耦合对信号线缆芯线产生干扰电压,造成电子设备的干扰甚至损坏。
2 架空线路或配电线缆引入雷害
由于大楼供电是通过外界架空线路进行供电,而户外的架空线路和的电缆极易遭雷击或雷电感应[5],在供电线路上有雷电过电压后,雷电暂态过电压通过低压变压器之后,经由电磁感应或各种耦合方式入侵到大楼低压供电系统。
由于供电室和大楼机房直接相连,雷电暂态过电压就会危及到通信设备,通常会造成通信设备因雷电过电压而打坏。
3 大楼附近的空间电磁感应
雷击建筑物附近时,由于大楼并不是一个完整的法拉第笼,雷电电磁脉冲会通过空间辐射的方式部分地穿透建筑物的屏蔽体而在室内电子系统中产生过电压干扰。
大楼雷电防雷不足
1 大楼楼顶线路防感应雷措施不完善
大楼楼顶风机和装饰供电线路都是装在PVC管内的,装饰电源选用的为防雨电源,防雨电源最大的特点是产品采用密闭灌封方式,防水防潮。但并不具有防雷的功能。
从现场情况可知,由于大楼楼顶线路装在PVC管而不是金属管中,当雷电直击大楼防雷带或大楼附近有雷电活动时,而且由于大楼避雷带上就装有导线,电磁耦合会在大楼楼顶线路上产生较高的感应过电压,相当于雷电直击于线路,将会直接打坏装饰用的直流电源。而且风机电源没有过电压防护措施,风机供电线路中的过电压将直接传输到配电间,将对整个大楼的供电安全造成威胁。
2 低压线路防雷措施不完善
由前面的分析可知,由于大楼楼顶供电线路未采取限制雷电过电压和防雷电感应过电压措施,这样当没有进行屏蔽处理供电线路受到感应雷的袭扰后,由于没有安装避雷器,在供电线路上产生的感应过电压会沿着400V低压线路传递到大楼配电间时,也会在沿大楼楼顶24V装饰供电线路进入到大楼楼顶装饰用供电电源盒内。
雷电入侵到400V线路后会沿400V线路传播,可能会打坏楼顶风机或者大楼内办公设备,同时由于变压器低压侧没有安装避雷器,沿400V供电线路传播的过电压会通过电容耦合和电磁感应的方式传递至变压器的高压侧,可能会对配电变压器高压侧绝缘构成威胁。
由于大楼装饰供电电源没有采取任何防雷措施且其耐冲击电压水平很低,只有2000V左右,由前面对楼顶感应过电压的分析可知,这样很容易造成装饰供电电源打坏。
3 配电室和机房接地不完善
由于机房接地没有合理的等电位联接,如果发生雷击大楼避雷带,由于多根接地引下线泄流不平均,在机房内不同的接地点之间必定会出现电位差,由于机房设备耐冲击水平不是很高,这个电位差很容易造成机房内二次设备损坏。
大楼防雷改造措施
1 对楼顶线路进行穿钢管防护
屏蔽是采用导电或导磁材料做成屏蔽体,将要保护的设备放在屏蔽体内,并将屏蔽体良好接地。这样在屏蔽体外侧存在电磁干扰时,由于屏蔽体的屏蔽和接地的作用,电磁干扰在传输到屏蔽体时,会由于屏蔽体的接地作用泄放掉部分干扰能量,使外界干扰能量不容易从屏蔽体的外侧传输到屏蔽体内侧,进而可以对屏蔽体内的物体进行保护以免受外界电磁干扰的影响。
由于大楼楼顶导线没有采取防雷措施,而且导线直接位于大楼的避雷带上,由前面的分析可知,在雷击大楼时,楼顶导线会极容易感应出过高的过电压而对整个大楼的供电系统造成危害。
采用穿钢管技术,可以将导线在空间上与电磁脉冲辐射环境相隔离,进而极大减小电磁脉冲场对导线的耦合,降低外界电磁干扰在供电线路上产生的过电压,进而保护配电设备不受损坏。对楼顶暴露在外面的导线进行穿钢管是实施楼顶线路电磁脉冲防护的重要手段之一,也是屏蔽的主要目的。
2 增强低压供电线路的防护力度
为了降低入侵到配电室和机房的雷电过电压,机房和配电室应当采用三级防雷保护方式。即变压器两侧作为第一级防雷,直流电源两侧为第二级防雷,电源输入终端作为第三级防雷。
三级防雷可以把能量逐级泄放掉,也可以减小由于低压侵入的雷电波对电源系统的影响,三级防雷保护SPD安装如图1所示。在SPD的选择上,可以根据要安装地方不同和被保护设备耐冲击电压不同选择相对型号的SPD,具体选择何种型号的SPD在这里不在叙述。
图1 低压电源系统防雷保护的配置图
在SPD的接线方式选择上,由于要安装SPD的地方较多,如果SPD的接线L1+L2的长度小于1m,可能采用图2中上方接线方式,否则应当采取图2正文的“V”形接线方式。
图2 两种SPD接线方式
3 完善变压器防雷措施
由前面的分析可知,由于大楼的配电变压器仅采用了在高压侧安装避雷器的措施,由低压侧传来的过电压将对变压器的正常运行造成威胁。在此建议在变压器的低压侧也安装一组避雷器,以防止低压侧过电压传递到高压侧而对变压器的高压侧绝缘构成危胁。
同时由于大楼现有供电采用的变压器为普通变压器,耐雷电冲击水平较低。在这里建议对于重要设备供电的电源,如大楼风机,电梯及其他重要用电设备等,可以选用耐雷电冲击水平相对普通变压器较高的高耐雷变压器,以保证重要设备的供电可靠性。在高耐雷变压器的选择上,可以选用双曲折防雷变压器,其相对普通变压器的耐雷电冲击水平可提高30%左右。
同时由于变压器的高低压侧都装有避雷器,其接地方式相对于原来仅在高压侧安装避雷器的接地方式有所改变。此变压器的接地应当采用“四点共地”的接线方式。如图3所示,采取这种接地保护方式时,变压器绝缘在避雷器动作时仅承受避雷器的残压,免受了避雷器残压加接地引下线上电压对变压器主绝缘的冲击,间接提高了变压器的耐雷电冲击水平。在双曲折变压器的接地上,也应当采用此种方式。在接地引下线方面,接地引下线应尽可能短,且采用镀锌材料以起到防腐蚀作用。
图3 “四点共地”法保护
4 等电位连接的完善措施
1)为了使配电室内设备在有故障电流或雷电流流入地网时由于地电位不等而不造成损坏,因此要在配电室进行接地母线设计,以确保室内所有设备一直处于相同的电位上。
在室内等电位环形接地母线的设计上,可在采用截面积不应小于120mm2的扁铜在配电间内距地面15~30 cm高铺设。在接地母线的接地上,采用截面积为40mm×4mm扁钢与接地网可靠连接,在与地网的连接上,母线每隔2~4m就应有一个与地网的连接点,在连接点应采取一定的防腐措施。
将接地母线做好后,将配电间内所有用电设备及自来水管道、暖气管道、金属门窗等均与接地母线相连。在设备与接地母线的连接上,为了防止由于接地引下线过长造成接地感抗过大而造成设备上电压过高,应使接地引下线做的尽可能短。同时,为防止雷电流入地时在配电间形成的跨步电压的威胁,在配电间巡视过道上应铺一定厚度的橡胶绝缘垫。
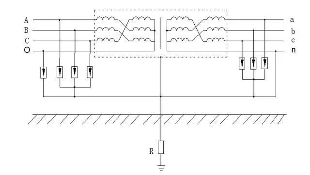
2)由于大楼机房面积相对较小,只有二十几平方米,而且都是采用的机柜,要接地的设备较少。因此在机房内的等电位接地设计上,宜采用S型等电位连接。如图4所示。
由图中可以看出,S型等电位连接只有一个点连接到大楼共用接地系统中,各设备都直接按星形结构与基准点相连,避免了感应环路的产生。且由于所选用材料为铜,电阻较小,所以各设备基本上位于同一电位点,因此不会有与雷电关联的低频干扰进行到机房的信息系统。同时此基准点也是机房内安装浪涌保护器的基准点。
图4 S形等电位连接方式
结论
本文对某大楼雷害事故较多的原因进行了分析,并采取适当的防雷措施对该大楼进行了防雷改造,取得了较好的防雷效果。同时对大楼防雷有以下建议。
(1)对整个大楼供电系统采用三级防雷措施,确保入侵的雷电过电压在设备的承受范围以内。
(1)为了保证大楼内重要用电设备供电可靠,建议用双曲折防雷变压器对大楼内重要设备供电。
(2)完善配电室、机房用各楼层的等电位连接,防止因电位不等造成对设备的危害。

