供电系统中避雷器的影响和作用
供电系统浪涌的来源分为外部(雷电原因)和内部(电气设备启停和故障等)。
雷击对地闪电可能以两种途径作用在低压供电系统上:
1.直接雷击:雷电放电直接击中电力系统的部件,注入很大的脉冲电流。发生的概率相对较低。
2.间接雷击:雷电放电击中设备附近的大地,在电力线上感应中等程度的电流和电压。
1. 高、低压的划分
按照电力行业标准DL408-1991《电力安全工作规范(发电厂和变电所电气部分)》规定:
低压:指设备对地电压在250V及250V以下;
高压:指设备对地电压在250V以上。
浪涌保护器,适用于交流50/60Hz,额定电压220V/380V的供电系统中,对间接雷电和直接雷电影响或其他瞬时过压的电涌进行保护,适用于家庭住宅、第三产业以及工业领域电涌保护的要求。
2. 电压的适用范围
220kV及其以上电压为输电电压,用来完成电能的远距离输送。
110kV及以下电压,一般为配电电压,完成对电能进行降压处理并按一定的方式分配至电能用户。
35~110kV配电网为高压配电网;10~35kV配电网为中压配电网;1kV以下为低压配电网。
3kV、6kV、10kV是工矿企业高压电气设备的供电电压。
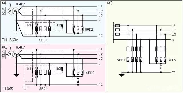
电涌保护器接入模式
在TN制式中,一般情况下电涌保护器只需作共模接法,即接于相线中性线与保护地线之间。
但在TN-S制式的起始位置,中性线与保护地线之间无须接入电涌保护器。只有对A级防雷等级中的第三、四级和B级防雷等级中的第三级上的特别重要设备的电源端口,才需做差模接入,即增加接于相线与中性线之间的电涌保护器。
在TT制式中,当第一级电涌保护器位于漏电保护器之后,可作上述共模接法。当第一级电涌保护器位于漏电保护器之前,且高压系统为中心点接地系统,电涌保护器应作“3+1”接法,即三个相线对中性线各接一个电涌保护器,中性线对保护地线再接一个电涌保护器。
在IT制式中,电涌保护器只作共模接法。
电涌保护器接入模式
浪涌保护器为电子设备的电源浪涌防护提供了一种简便、经济、可靠的防护方法,通过防浪涌元件(MOV),在雷击感应及操作过电压时,迅速将浪涌能量传入大地,保护设备免遭损害。浪涌保护器对浪涌的防护方法如下:
1. 并联型电涌保护器并联于供电线路上
在正常情况下,防雷模块内的压敏电阻处于高阻状态。电网遭受雷击或开关操作出现瞬时浪涌过电压时,防雷器在纳秒级时间内响应,压敏电阻呈低阻状态,迅速将过电压限制在一个很低的幅值内。当线路中有较长时间的持续脉冲或持续过电压,压敏电阻器性能劣化而发热到一定程度使热脱机构脱扣,避免火灾发生,从而保护设备。
并联型
2. 串联滤波型电涌保护器串联接入供电线路中
为贵重的电子设备提供安全、洁净的电源,雷电波除了有巨大的能量外,还有极其陡峭的电压及电流上升率。并联型电涌保护器只能抑制雷电波的幅值,但无法改变其急剧上升的前沿。串联滤波型电源电涌保护器串联于供电线路上。
在过电压情况下MOV1、MOV2在纳妙级时间内做出响应,将过电压箝位;同时LC滤波器将雷电波陡峭的电压,电流提升率降低近1000倍,残压降低5倍,从而保护敏感的用户设备。
串联型
3. 在电源线的相间、线间安装压敏限幅型元件,以限制浪涌过电压
第一种方法对照明、电梯、空调、电机等耐冲击电压水平较高的电气设备的防护效果比较好。但对于集成度高、结构紧凑的现代电子设备来说,实际防护效果就不那么令人满意了。理由如下:
以单相220V交流电源的感应雷击防护为例,常用方法在零、地线之间并上合适的压敏型元件,以吸收限制感应雷击产生的尖峰电压。电源线路防雷效果的好坏完全取决于压敏器件参数的选择和压敏器件工作的可靠性。
压敏限幅值的选择是在市电的峰值310V的基础上加上20%的电网波动影响、10%的器件分散性误差和15%的因长期工作造成发热、受潮、元件老化等可靠性因素补偿,一般取值为470V~510V。感应雷击等各种尖峰干扰电压都被限制在470V。对于470V以下的电压,压敏器件不动作。
普通低压电器设备(机床、电梯、照明、空调等)的工频耐压值一般为交流1500V,而瞬间耐压峰值可达2500V以上,所以470V的电压是十分安全的。
但大规模集成电路组成的现代电子设备的工作电压一般为±5V~±15V之间,最高耐压值一般不超过50V,所以叠加在市电上的小于470V的高频尖峰电压就会直接送入负载,通过空间耦合电容,变压器层间、极间电容不成比例地传到开关电源或集成电路芯片上,能造成故障。
尽管高频开关电源和电子设备都有相应的防尖峰干扰措施,但受成本和体积限制,再加上感应雷击等尖峰干扰的强度、频谱变化很大,所以防护效果不理想。这还是在压敏限幅元件比较理想的情况下得出的效果,实际上由于压敏元件残压和引线电感的影响,在较强感应雷击下,可能会导致实际限幅电压峰值升到800V~1000V以上,而使后级电子设备遭受威胁。
4. 加强对电子设备的防护效果,在电源与负载间串入超隔离变压器(又称隔离法),以隔绝高频尖峰干扰,同时又可使次级等电位联接便于进行
隔离法主要采用带屏蔽层的隔离变压器。由于共模干扰是一种相对大地的干扰,所以它主要通过变压器绕组间的耦合电容来传递。如果在初、次级之间插入屏蔽层,并使之良好接地,便能使干扰电压通过屏蔽层分路掉,从而减小输出端的干扰电压。
理论上带屏蔽层的变压器能使衰减量达到60dB左右。但隔离效果的好坏,往往取决于屏蔽层的工艺。最好选用 0.2 mm厚的紫铜板材,原边、副边各加一个屏蔽层。
通常,原边的屏蔽层通过一个电容器与副边的屏蔽层接到一起,再接到副边的地上。也可以原边的屏蔽层接原边的地线,副边的屏蔽层接到边的地线。并且接地引线的截面积也要大一些好。采用带屏蔽层的隔离变压器,是个好方法,只是体积较大。
这种方法因变压器功能过于单一,相对体积、重量大,安装不甚方便,对中、低频尖峰和浪涌防护效果不好,因此市场有限,生产厂家也不多。所以非特殊场合一般都不用。
5. 吸收法
吸收法主要采用吸波器件将浪涌尖峰干扰电压吸收掉。
吸波器件都有共同的特点,即在阈值电压以下呈现高阻抗,而一旦超过阈值电压,则阻抗便急剧下降,因此对尖峰电压有一定的抑制作用。
这类吸波器件主要有压敏电阻、气体放电管、TVS管、固体放电管等。不同的吸波器件对尖峰电压的抑制也有各自的局限性。
如压敏电阻的电流吸收能力不够大;气体放大电管的响应速度较慢。

