220 kV氧化物避雷器不拆除高压引线试验的尝试
作者介绍了220 kV 金属氧化物避雷器不拆除一次高压引线试验方法,对拆除一次引线与不拆除一次引线的直流参考电压及泄漏电流进行了比较,证明二者的试验结果是一致的,符合预防性试验规程的要求。
金属氧化物避雷器( 简称MOA) 是电力系统重要电气元件之一, 它主要作用是保护电气设备免受雷电侵入波过电压和操作过电压对其设备的绝缘损坏。直流 1mA 电压(U1mA) 及 0.75U1mA 的泄漏电流试验是金属氧化锌避雷器预防性试验中主要项目之一。
在 220 kV MOA 预防性试验中, 通常都要拆除一次高压引线后进行逐节进行试验。但由于 220kV 电压等级较高,感应电较强,且为高空作业,一次高压引线拆、接工作存在着严重的安全隐患。为解决以上问题,笔者在认真分析金属氧化物避雷器的试验原理及查阅了大量相关资料后,对 MOA 不拆除一次高压引线试验的方法进行了探索, 并进行了误差分析,认为 220 kV 避雷器采用不拆一次引线进行预防性试验的方法是可行的。
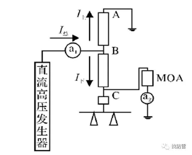
常规试验方法是拆除一次高压引线后,从上至下逐节进行直流 1mA 电压(U1mA) 及 0.75U1mA 的泄漏电流试验,常规试验方法如图 1 所示。
图1 氧化锌避雷器常规试验方法接线示意
测量上节时,直流高压经微安表接在 A 点, B 点经过外挂接地线接地;测量下节时, A 点悬空,B 点经微安表接直流高压, C 点经外挂接地线接地。直流高压发生器额定输出电流只要能满足 1-2 mA 就可以满足上、下节测量的要求。
1 上节避雷器的试验
上节避雷器测量接线示意图如图 2 所示,此时 A 点由于停电时所做的安全措施的缘故已经可靠接地,C 点首先应先断开避雷器的在线监测仪引线,然后外接入一支 3-10kV 级低压避雷器作为支撑避雷器来提高下节 MOA 的 U1mA 值。试验前应确保避雷器的基座绝缘不低于 10 MΩ,尽可能减小对微安表 a2 的电流分流,以保证测量精度。
图2 不拆高压引线时上节测量接线示意图
在下节加装支撑避雷器后,下节 MOA 的 U1mA 起始动作电压得到强制提高,保证了在升压过程中上节首先到达 U1mA ,当 I总-I下 = 1 mA (即a1 - a2 = 1 mA )时的直流高压电压即为上节避雷器直流 U1mA 电压。当电压为 75%U1mA 时,上节避雷器的泄漏电流为 I上 =I总- I下 ( 即 I= a1 - a2 )。
2 下节避雷器的试验
下节避雷器测量接线示意图如图 3 所示。
图3 不拆高压引线时下节测量接线示意图
当 I下 (a2 )= 1 mA 时的直流高压电压即为下节避雷器直流 U1mA 电压。当电压为 75% U1mA 时,泄漏电流 I= a2 。此时直流发生器的总电流为上下节电流之和,试验中应严格监视微安表 a1 中的电流不能超出直流发生器额定输出电流,以免造成直流发生器过流跳闸。一般来说,上下两节避雷器的 U1mA 相差无几,如果直流发生器额定输出电流 > 2 mA,基本上可以满足下节测量的要求[4-5]。
我们分别采用拆除引线与不拆除引线两种方法对我厂多组 220 kV 避雷器进行了对比试验,现就 220 kV ⅠB母线避雷器对比试验数据说明如下,试验数据见表 1。
表1 常规法与拆除一次引线法的试验结果
从表 1 的两种试验方法的试验数据比较来看,不拆除一次引线试验比常规法试验的 U1mA 差值最大为 0.6 kV;泄漏电流最大的差值最大是 1.1μA。电力预防性试验规程规定:U1mA 与出厂或初始值比较其变化不大于±5%,75%U1mA 下的泄漏电流不大于 50 μA。由此可见,不拆除一次引线试验与常规法试验所得到的无论电压、电流的差值都远远小于规程规定值。由此可见,不拆除高压引线进行 MOA 试验符合预防性试验规程的要求。
(1)下节避雷器试验时,因两节避雷器直流 1mA 的临界点有可能会不同,如发现高压微安表 a1 的读数接近额定电流, 而下节避雷器的泄漏电流 a2 还没到 1 mA 时, 应停止试验, 检查接线及表计情况, 如无其他异常情况, 应更换大容量的直流高压发生器或者拆除一次引线进行常规法试验[6]。
(2)试验中使用的微安表的表面外壳应有良好的屏蔽,防止在试验过程中受外界电场干扰而影响试验数据的正确性;高压引线应使用屏蔽线,且将高压屏蔽线引入微安表屏蔽回路;应尽量缩短高压引线,并尽可能使高压引线与被试品接近直角布置[7-8]。
(3)避雷器高压端的接地应可靠,如采用接地刀闸接地的,应检查接地刀闸合闸是否到位,必要时通过另外附加的接地线接地,并使接地线与被试品成直角布置。
(4) 遇到周围环境湿度大或避雷器表面污秽严重等情况,应在试验前对避雷器表面进行彻底清洁,必要时可对瓷套表面加装屏蔽并将屏蔽引入高压引线的屏蔽回路[9]。
从我厂 30 多节 MOA 的现场实测数据来看,220 kV 氧化锌避雷器不拆除一次高压引线与拆除一次高压引线测得的数据基本一致,且实测值与理论分析相吻合。由此可见,不拆除一次高压引线试验在 220 kV 氧化锌避雷器实际试验中是可行的,符合预防性试验规程要求。

